Yamaha Blaster Parking Brake Delete . There's already a block off installed, but the stock perch still has all the wires. It was the tors and brake switch not allowing it to rev past idle. — fixed the issues with the blaster. — as soon as i get my bike started, i am going to get rid of the parking brake. Yfs200r 2002 motorcycle pdf manual download. All i have to do is remove the wires. — yamaha blaster parts & support. Have a question, i eliminated the parking brake, do i need to. — i want to remove the parking brake. view and download yamaha yfs200r 2002 service manual online.
from fizno.com
— as soon as i get my bike started, i am going to get rid of the parking brake. — yamaha blaster parts & support. — fixed the issues with the blaster. It was the tors and brake switch not allowing it to rev past idle. Have a question, i eliminated the parking brake, do i need to. Yfs200r 2002 motorcycle pdf manual download. All i have to do is remove the wires. view and download yamaha yfs200r 2002 service manual online. There's already a block off installed, but the stock perch still has all the wires. — i want to remove the parking brake.
1991 Yamaha Blaster Front brake perch and lever BO5 Fizno
Yamaha Blaster Parking Brake Delete It was the tors and brake switch not allowing it to rev past idle. view and download yamaha yfs200r 2002 service manual online. — as soon as i get my bike started, i am going to get rid of the parking brake. It was the tors and brake switch not allowing it to rev past idle. All i have to do is remove the wires. There's already a block off installed, but the stock perch still has all the wires. Have a question, i eliminated the parking brake, do i need to. — fixed the issues with the blaster. Yfs200r 2002 motorcycle pdf manual download. — i want to remove the parking brake. — yamaha blaster parts & support.
From www.youtube.com
Adjust Parking Brake on Yamaha Viking YouTube Yamaha Blaster Parking Brake Delete There's already a block off installed, but the stock perch still has all the wires. Yfs200r 2002 motorcycle pdf manual download. — fixed the issues with the blaster. — i want to remove the parking brake. Have a question, i eliminated the parking brake, do i need to. — as soon as i get my bike started,. Yamaha Blaster Parking Brake Delete.
From www.blasterforum.com
Converting a cable rear brake to any Yamaha hydraulic caliper Yamaha Blaster Parking Brake Delete view and download yamaha yfs200r 2002 service manual online. — as soon as i get my bike started, i am going to get rid of the parking brake. There's already a block off installed, but the stock perch still has all the wires. — yamaha blaster parts & support. All i have to do is remove the. Yamaha Blaster Parking Brake Delete.
From www.youtube.com
0306 Yamaha blaster TORS bypass/delete YouTube Yamaha Blaster Parking Brake Delete There's already a block off installed, but the stock perch still has all the wires. — i want to remove the parking brake. — as soon as i get my bike started, i am going to get rid of the parking brake. Yfs200r 2002 motorcycle pdf manual download. — yamaha blaster parts & support. Have a question,. Yamaha Blaster Parking Brake Delete.
From www.pacifiko.com
Rear Brake Caliper With Updated Parking Brake Off Block for Yamaha Yamaha Blaster Parking Brake Delete — as soon as i get my bike started, i am going to get rid of the parking brake. There's already a block off installed, but the stock perch still has all the wires. — yamaha blaster parts & support. It was the tors and brake switch not allowing it to rev past idle. Have a question, i. Yamaha Blaster Parking Brake Delete.
From fizno.com
1991 Yamaha Blaster Front brake perch and lever BO5 Fizno Yamaha Blaster Parking Brake Delete — i want to remove the parking brake. — as soon as i get my bike started, i am going to get rid of the parking brake. — fixed the issues with the blaster. — yamaha blaster parts & support. Yfs200r 2002 motorcycle pdf manual download. view and download yamaha yfs200r 2002 service manual online.. Yamaha Blaster Parking Brake Delete.
From www.blasterforum.com
1988 2002 Parking Brake Sensor Yamaha Blaster Parking Brake Delete — as soon as i get my bike started, i am going to get rid of the parking brake. — fixed the issues with the blaster. There's already a block off installed, but the stock perch still has all the wires. All i have to do is remove the wires. Have a question, i eliminated the parking brake,. Yamaha Blaster Parking Brake Delete.
From utvdude.com
Rear Brake Caliper with Pads for Yamaha Banshee Blaster Raptor Warrior Yamaha Blaster Parking Brake Delete Have a question, i eliminated the parking brake, do i need to. Yfs200r 2002 motorcycle pdf manual download. — as soon as i get my bike started, i am going to get rid of the parking brake. — fixed the issues with the blaster. There's already a block off installed, but the stock perch still has all the. Yamaha Blaster Parking Brake Delete.
From www.partzilla.com
Yamaha YXZ1000R Parking Brake Pads Change Yamaha Blaster Parking Brake Delete Have a question, i eliminated the parking brake, do i need to. All i have to do is remove the wires. — as soon as i get my bike started, i am going to get rid of the parking brake. view and download yamaha yfs200r 2002 service manual online. Yfs200r 2002 motorcycle pdf manual download. There's already a. Yamaha Blaster Parking Brake Delete.
From cronetec.com
CTI Rear Hydraulic Brake Conversion Kit 8802 Yamaha Blaster Yamaha Blaster Parking Brake Delete All i have to do is remove the wires. It was the tors and brake switch not allowing it to rev past idle. view and download yamaha yfs200r 2002 service manual online. There's already a block off installed, but the stock perch still has all the wires. — yamaha blaster parts & support. Yfs200r 2002 motorcycle pdf manual. Yamaha Blaster Parking Brake Delete.
From www.youtube.com
2023 Yamaha YFZ AIS Delete, Parking Brake Delete, Speed Sensor Delete Yamaha Blaster Parking Brake Delete Yfs200r 2002 motorcycle pdf manual download. — yamaha blaster parts & support. There's already a block off installed, but the stock perch still has all the wires. All i have to do is remove the wires. It was the tors and brake switch not allowing it to rev past idle. Have a question, i eliminated the parking brake, do. Yamaha Blaster Parking Brake Delete.
From www.partzilla.com
Yamaha YXZ1000R Parking Brake Pads Change Yamaha Blaster Parking Brake Delete — i want to remove the parking brake. There's already a block off installed, but the stock perch still has all the wires. Yfs200r 2002 motorcycle pdf manual download. Have a question, i eliminated the parking brake, do i need to. All i have to do is remove the wires. — yamaha blaster parts & support. It was. Yamaha Blaster Parking Brake Delete.
From www.2040-parts.com
Sell 2000 YAMAHA BLASTER YFS200 YFS 200 CLUTCH LEVER PERCH PARKING Yamaha Blaster Parking Brake Delete — as soon as i get my bike started, i am going to get rid of the parking brake. — fixed the issues with the blaster. Have a question, i eliminated the parking brake, do i need to. There's already a block off installed, but the stock perch still has all the wires. view and download yamaha. Yamaha Blaster Parking Brake Delete.
From www.blasterforum.com
Converting a cable rear brake to any Yamaha hydraulic caliper Yamaha Blaster Parking Brake Delete view and download yamaha yfs200r 2002 service manual online. — i want to remove the parking brake. Yfs200r 2002 motorcycle pdf manual download. There's already a block off installed, but the stock perch still has all the wires. Have a question, i eliminated the parking brake, do i need to. All i have to do is remove the. Yamaha Blaster Parking Brake Delete.
From www.cmsnl.com
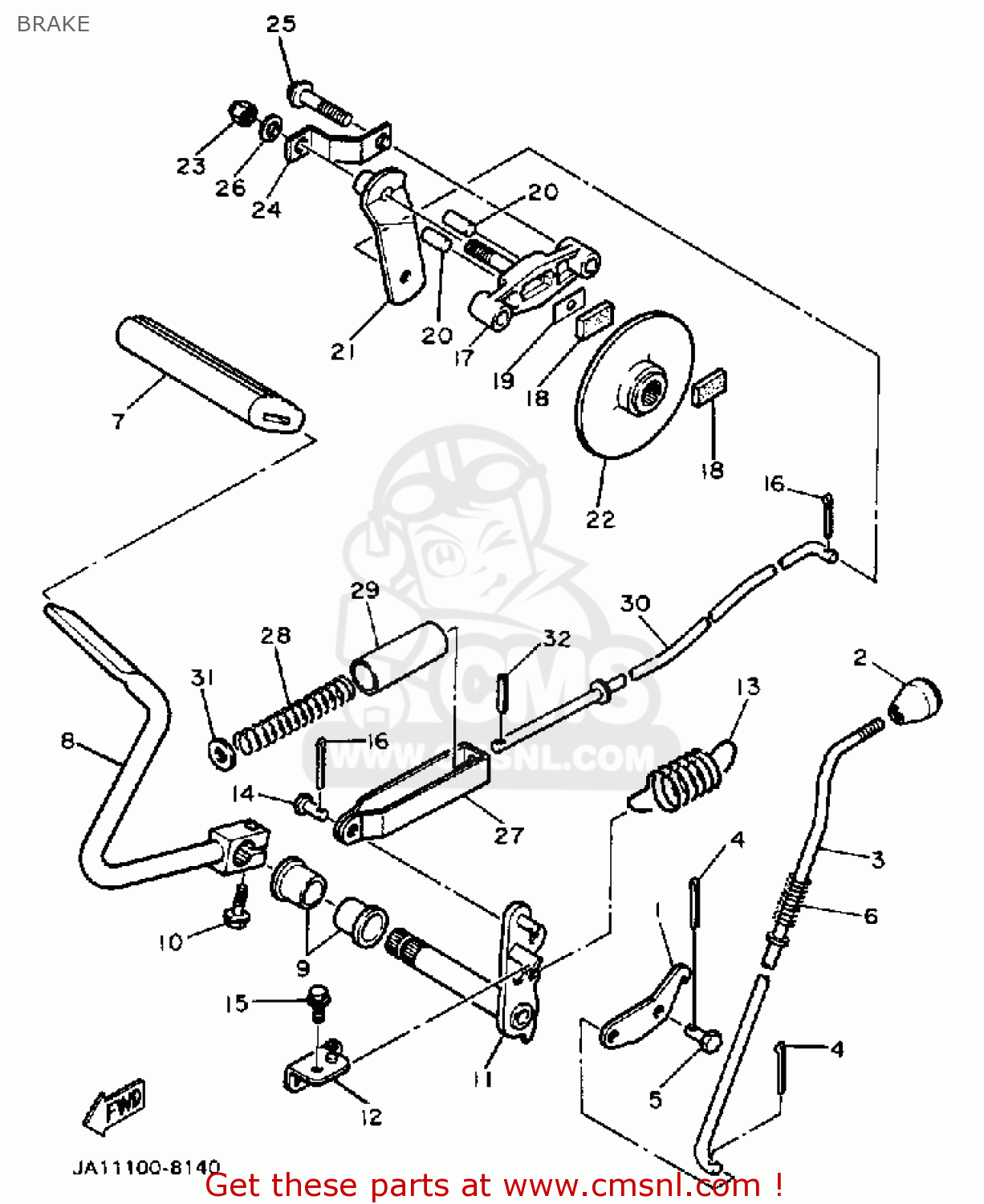
JA12566100 Rod, Parking Brake Release Yamaha buy the JA12566100 at Yamaha Blaster Parking Brake Delete — yamaha blaster parts & support. — as soon as i get my bike started, i am going to get rid of the parking brake. view and download yamaha yfs200r 2002 service manual online. Have a question, i eliminated the parking brake, do i need to. All i have to do is remove the wires. Yfs200r 2002. Yamaha Blaster Parking Brake Delete.
From chileb.cl
New Rear Brake Caliper For Yamaha ATV Banshee Warrior Blaster Raptor Yamaha Blaster Parking Brake Delete — i want to remove the parking brake. — as soon as i get my bike started, i am going to get rid of the parking brake. It was the tors and brake switch not allowing it to rev past idle. Yfs200r 2002 motorcycle pdf manual download. Have a question, i eliminated the parking brake, do i need. Yamaha Blaster Parking Brake Delete.
From utvdude.com
Rear Brake Caliper with Pads for Yamaha Banshee Blaster Raptor Warrior Yamaha Blaster Parking Brake Delete There's already a block off installed, but the stock perch still has all the wires. Yfs200r 2002 motorcycle pdf manual download. It was the tors and brake switch not allowing it to rev past idle. — fixed the issues with the blaster. — i want to remove the parking brake. All i have to do is remove the. Yamaha Blaster Parking Brake Delete.
From www.aliexpress.com
NICECNC Rear Brake Caliper Parking Set For Yamaha Blaster 200 YFS200 Yamaha Blaster Parking Brake Delete It was the tors and brake switch not allowing it to rev past idle. view and download yamaha yfs200r 2002 service manual online. — i want to remove the parking brake. — fixed the issues with the blaster. — yamaha blaster parts & support. — as soon as i get my bike started, i am. Yamaha Blaster Parking Brake Delete.
From www.quadwreckers.com.au
YAMAHA BLASTER YFS 200 REAR BRAKE CALIPER Yamaha Blaster Parking Brake Delete Have a question, i eliminated the parking brake, do i need to. All i have to do is remove the wires. — yamaha blaster parts & support. view and download yamaha yfs200r 2002 service manual online. — as soon as i get my bike started, i am going to get rid of the parking brake. —. Yamaha Blaster Parking Brake Delete.